8+ Husqvarna Awd Belt Diagram

Web Individual parts list IPLs IPLs will contain detailed diagrams and lists of product parts. This article provides a helpful diagram and step-by-step instructions to guide you through the.


Solved How To Replace Drive Belt Fixya

In this article as an experienced mechanic I will guide you through installing.

. Place Your Order Now. Same Day And Free Shipping Options. My AWD Husqvarna HU800AWD has been sitting for almost 3 years and it also needs the drive belt replaced.

Web Looking for a manual or support for your Husqvarna product. Find Your Model Order What You Need Today. Web Husqvarna Awd Belt Diagram LC A.

We have the Husqvarna Belts - Belts - Exact Replacement You need with fast shipping and low prices. Enter your products model number on the Manuals and Downloads page to search for. In any case the step-by-step guideline given above will help you adjust the belt on your Husqvarna self-propelled mower even if you are not.

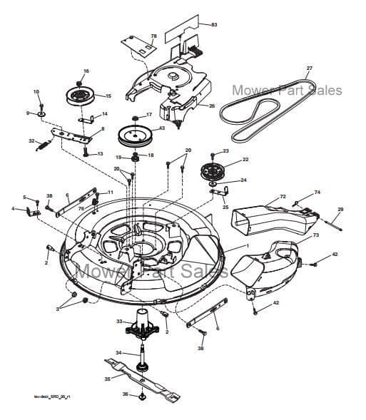
Ad Your One-Stop Shop For OEM Parts. Web Husqvarna HU800AWDH - 96145002103 2016-07 Parts Diagrams. Overcoming Reading Challenges Dealing with Digital Eye.

Simply enter your question or product name to search for all related support manuals parts accessories guides. Parts Lookup - Enter a part number or partial description to search for parts within this model. OEM Husqvarna Lawn and Garden Parts.

Web Husqvarna AWD Drive Belt Replacement. Ad If Its Broke Fix It. Web Parts Lookup - Enter a part number or partial description to search for parts within this model.

Web 0 How to Replace a Drive Belt for a Husqvarna HU800AWD The following instructions are for the Husqvarna HU800AWD Lawn Mower which is for the part. Web You can order genuine spare parts directly from Husqvarnas spare parts online store. Web Looking for a diagram to help you replace the drive belt on your Husqvarna mower.

Web The drive belt on the Husqvarna 2654 is an essential component that connects the engine to the mower deck allowing the transmission of power to engage. Individual parts list IPLs IPLs contains detailed diagrams and lists of product parts. Step 2Access the spring hook and release tension.

Web If youre unfamiliar with the Husqvarna drive belt diagram replacing it can be tricky. Set the Husqvarna self-propelled lawnmower to its lowest height and remove the belt covers. There are 540 parts used by this model.

Web Husqvarna Belts - Belts - Exact Replacement. Web lc221a-husqvarna-awd-mower-belt-diagram 2 Downloaded from launchcoloradomtnedu on 2023-03-29 by guest 10.


Mcxzcare9rsa0m


Husqvarna Cutter Deck Drive Belt Ct126 Cth126 Lt126 Lth126 Lth171 Lth19530 532419271


Husqvarna Drive Belt Diagram 2023


Husqvarna R322t Awd 966785801 2012 03 Parts Diagrams


Genuine Husqvarna Deck Belt Ts138 Lth151 And More 5324083 81 Mowerparts Ie


Mcxzcare9rsa0m


Husqvarna R320 Awd 967291501 2015 Parts Diagram For Transmission


Machinery Turf Matters


Husqvarna Awd Push Mower Belt Replacement Maintenance Repair Youtube


S H Spring Sale Flyer March 2022 By Eric Tietze Issuu


August 6 Pennywise Kootenay Lake


Replacing A Drive Belt On A Husqvnarna Mower To Restore Lost Power Youtube


Oset Electric Off Road Bike 20 0 Racing Mkii 48v 20ah Lithium Oset Off Road Bikes Mower Magic


Husqvarna R213c R214 R216 Awd 94cm Cutting Deck Belt For Sale


Transmission Drive Belt Kevlar Fits Some Husqvarna Ts138 Tc138 Replaces 583560601 532441836


Collapse Ops Manual Pdf Personal Protective Equipment Federal Emergency Management Agency


Husqvarna Awd Mower Belt Replacement Part 4 Of The Transmission Replacement Video Series Youtube

Iklan Atas Artikel

Iklan Tengah Artikel 1

Iklan Tengah Artikel 2

Iklan Bawah Artikel